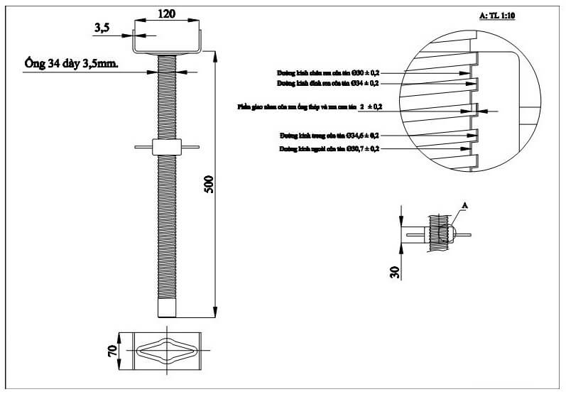
Quy cách cơ bản của Kích Tăng Bằng:
- Kích tăng dạng Đặc: chiều cao từ: 0.4 – 0.6m, sử dụng ống phi 32, độ dày từ 3.5 – 4.0 ly.
- Kích tăng dạng Rỗng: chiều cao từ: 0.4 – 0.6m, sử dụng ống phi 34, độ dày từ 3.5 – 4.0 ly.
Quy cách cơ bản của Kích Tăng U:
- Kích Tăng U Rỗng: 0.5m x Q34, độ dày: 3.8 ly – 4.0ly.
- Kích Tăng U Đặc: 0.5m x Q32, độ dày: 3.8 ly – 4.0ly.
Chủng loại: mạ kẽm.
Màu sắc: bạc kẽm, đỏ, sơn theo yêu cầu KH.
Kích tăng giàn giáo dùng để điều chỉnh độ cao hợp lý trong quá trình lắp đặt giàn giáo, là bộ phận quan trọng hỗ trợ cho giàn giáo trong việc chống sàn, có 2 loại phổ biến là: kích tăng bằng và kích tăng u.

#Kích tăng bằng
Kích tăng bằng là loại chân kích giàn giáo hay đế kích không thể thiếu của bộ khung giàn giáo, cũng có các tên gọi khác như: Tăng Đơ, Kích bằng, Kích Chân,…
Kích tăng bằng là bộ phận quan trọng không thể thiếu dùng để điều chỉnh độ cao thấp ở phần bên dưới cùng của hệ thống chống đỡ sàn ở độ cao chính xác, thường được lắp đặt chung với những thiết bị xây dựng khác như hệ cốp pha sàn, hệ giàn giáo, giúp cho việc đổ bẻ tông thuận tiện hơn.

Cấu tạo kích tăng bằng:
Hiện nay, trên thị trường xây dựng có 2 loại kích tăng giàn giáo cơ bản: kích tăng bằng và kích tăng u và được sản xuất dưới dạng ống thép đặc và ống thép rỗng:
- Kích Tăng dạng đặc (Ống thép đặc): thường được sử dụng loại ống thép Ø32. Chiều cao cơ bản của Kích Tăng là 500mm.
- Kích Tăng dạng rỗng (ống thép rỗng): thường dược sử dụng loại ống thép Ø34. Chiều cao cơ của Kích Tăng là 500mm.

Các quy cách cơ bản của loại kích tăng bằng như sau:
- Kích tăng dạng Đặc: chiều cao từ: 0.4 – 0.6m, sử dụng ống phi 32, độ dày từ 3.5 – 4.0 ly.
- Kích tăng dạng Rỗng: chiều cao từ: 0.4 – 0.6m, sử dụng ống phi 34, độ dày từ 3.5 – 4.0 ly.
- Chủng loại: mạ kẽm.
- Màu sắc: bạc kẽm, đỏ, sơn theo yêu cầu.
AN TOÀN KHI SỬ DỤNG !
Con tán của kích tăng bằng (chân kích giàn giáo) phải luôn được đảm bảo hàn chắc chắn để đảm bảo quá trình làm việc không bị trơn trượt.
Kích tăng giàn giáo thường có chiều cao cơ bản là 500mm (0.5m) nhưng khi sử dụng, để đảm bảo sự an toàn cao thì chỉ nên sử dụng tối đa từ 0.3 – 0.4m, không nên tăng tối đa chiều cao của kích tăng.
Đây là bộ phận nằm bên dưới cùng của khung giàn giáo, chịu lực rất lớn, nên khi sản xuất phải đảm bảo chất lượng tiêu chuẩn, đảm bảo an toàn cho bộ khung giàn giáo.
Sản phẩm được kiểm định chặt chẽ, độ an toàn cao trước khi giao cho khách hàng.

#Kích tăng U
Kích tăng U giàn giáo là loại kích tăng đầu, sử dụng trên đầu của giàn giáo, bát chữ U có công dụng giá đỡ để đặt xà gồ vào tạo thành bộ khung chống sàn cố định.
Điểm cần lưu ý là khi sử dụng loại KÍch tăng U thì giàn giáo không cần lắp đặt đầu nối, dùng điều chỉnh chiều cao chống sàn.
Sản phẩm được sản xuất bằng máy móc hiện đại trên công nghệ hàn CO2 tiên tiến, mối hàn rất chắc chắn và thẩm mỹ. Vật liệu sản xuất chủ yếu là thép dạng ống, được phủ bằng lớp sơn có tác dụng chống rỉ.

Cấu tạo kích tăng U:
Sản phẩm kích tăng U cũng như kích tăng bằng đều được sản xuất dưới dạng ống thép đặc và ống thép rỗng:
- Kích Tăng sử dụng ống thép dạng đặc: loại thép Ø32. Chiều cao cơ bản của Kích Tăng là 500mm.
- Kích Tăng sử dụng ống thép dạng rỗng: loại thép Ø34. Chiều cao cơ bản của Kích Tăng là 500mm.
- Chủng loại: Sơn dầu, mạ kẽm.
- Màu sắc: Xanh dương, bạc kẽm, đỏ,…

Các quy cách cơ bản của loại kích tăng U như sau:
- Kích Tăng U Rỗng: 0.5m x Q34, độ dày: 3.8 ly – 4.0ly.
- Kích Tăng U Đặc: 0.5m x Q32, độ dày: 3.8 ly – 4.0ly.
AN TOÀN KHI SỬ DỤNG!
Để đảm bảo độ an toàn chúng tôi luôn khuyến cáo khách hàng chỉ sử dụng chiều cao từ 0.3 – 0.4m, tuyệt đối không tăng tối đa chiều cao kích tăng giàn giáo.
Khả năng chịu lực của kích tăng phụ thuộc rất nhiều vào phần giao nhau giữa phần thân và con tán. Đây là vấn đề luôn được chú trọng trong quá trình sản xuất.




Reviews
There are no reviews yet.